Email ons
Nieuws

Constructie en onderhoud van mini -graafmachines

Constructie en onderhoud van mini -graafmachines


Mini Excavator Construction Innovation and Intelligent Maintenance: Small Body Draag grote projecten


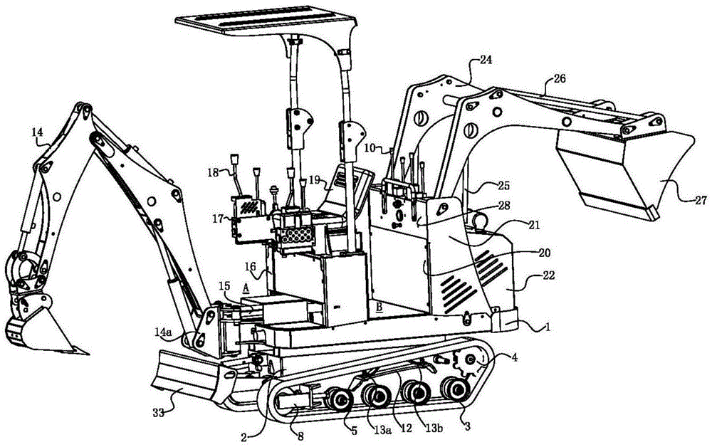
1 、 Analyse van de constructie van mini -graafmachines: vierdimensionale technologie die de 'Space Magician' hervormt

Chassis en wandelsysteem:


Trappenloos draaiende ontwerp: modellen zoals SANY SY18U nemen een "nul staartuitsteeksel" -structuur aan, met een staart drainius van slechts 0,86 meter, waardoor 360 ° vrije rotatie in smalle tunnels mogelijk is zonder te botsen met muren. Tegelijkertijd kan onze 0.8ton mini -graafmachine ook een draairadius van 1,1 m bereiken, waardoor vrije en flexibele werking in smalle ruimtes mogelijk is.


Verstelbaar trackframe: de trackmeter kan vrij worden aangepast (zoals SY16C die 980-1350 mm uitbreiding en contractie ondersteunt), waardoor het gemakkelijk is om smalle steegjes van 1 meter te kruisen. De aardingsdruk van de rubberen spoor is zo laag als 25 kpa, waardoor de verharde grond beschermt.


Zelfsmeerlagers: het Yanmar -chassis maakt gebruik van iglidur G -serie plastic lagers in plaats van traditionele kogellagers, die anti -vervuiling, anti -roest en onderhoudsvrij zijn, waardoor de levensduur van het servicedienst drie keer vergroot.




Kracht- en hydraulisch systeem:


Dubbele modus Power Revolution: De kleine graafmachine neemt Kubota KX019 aan, die Diesel/Electric One Click Switching ondersteunt, een 20KWH-batterij biedt een bereik van 8 uur en binnen werkgeluid is zo laag als 66 decibels.


Intelligente hydraulische controle: Load Sensitive Technology (zoals Shengang SK35SR-6) bereikt de stromingsverdelingsnauwkeurigheid van ± 1,8%, composietactiesnelheid van 0,7 seconden en vermindering van het energieverbruik van 22%.




Verbetering van werkuitrusting:


Slijtvaste structuur: het gearticuleerde gewricht van de giek van de compacte graafmachine heeft een carburerende warmtebehandeling ondergaan (hardheid HRC55+), en de emmer is gelast met hardox500 slijtvaste plaat (hardheid HB500), waardoor de levensduur van 30%wordt verlengd.


Zij bewegende arm octrooi: Kubota U-15-3S bereikt de linkse afwijking van 595 mm/rechterafwijking van 350 mm, en wandgemonteerde opgraving vereist niet het bewegen van het lichaam.


Rotary Device, 360 ° allround werking, flexibel om zich aan te passen aan verschillende werkomgevingen.


Human Computer Interaction Upgrade


Rol over de resistentcabine: gecertificeerd door ROPS/FOPS (bestand tegen 16 ton statische druk), uitgerust met drijvende stoelen, LCD -aanraakscherm en AI -surroundweergave -monitoring, het verminderen van blinde vlekken met 40%.


2 、 Onderhoud en dagelijks onderhoud:

De gouden regel van dagelijks onderhoud


Hydraulisch oliebeheer: gebruik anti-slijtage hydraulische olie nr. 68 in de zomer en lage viscositeitolie nr. 32 in de winter. Controleer regelmatig de netheid van NAS (≤ niveau 8) om pomp- en klepslijtage te voorkomen.


Botervulcyclus: injecteer vet om de 10 dagen voor het roterende lager en injecteer elke 4-8 uur hogedrukvet voor het scharnierpunt van het werkapparaat om te voorkomen dat de penas vastloopt.




Key Component Life Extension Techniek:


Tracklasse systeem: pas de spanning aan om te voorkomen dat te los is (tanden springen) of te strak (versnellende slijtage); Reinig het grind regelmatig om te voorkomen dat het afdichtingsfout van het ondersteunende wiel.


Onderhoud van de "draag ijzeren driehoek":

Track schoeninspectie voor scheuren/500H

Drive -tandwieltanden zijn vlakke gemalen en onmiddellijk vervangen

Inerte wielafdichtingolie -lekkage moet worden gerepareerd

Volgens Stowers CAT -statistieken wordt 80% van de chassisfouten veroorzaakt door deze drie soorten componenten.


Richtlijnen voor het omgaan met extreme werkomstandigheden:


Werking op grote hoogte: de turbomotor van de mini -graafmachine heeft een stroomcompensatie van 15%en het hydraulische systeem is uitgerust met een drukcompensatieklep om stroomverlies te voorkomen.

Water wading -operatie: in de Italiaanse overstromingsredding bereikte de moderne HX35AZ een waaddiepte van 0,8 meter door een verzegelde circuitmodule.


Langdurige opslagnormen:


Parkeer in een droge kamer, steun de sporen om de aardingsdruk te verminderen;

Vul de brandstoftank om condensatie te voorkomen, trek alle hydraulische cilinders in om veroudering van de afdichting te voorkomen;

Begin eens in de 3 maanden om te voorkomen dat de printplaat vochtig wordt.


3 、 Technologische grens: elektrificatie en intelligente herstructurering van industriële ecologie

Power Revolution:


Modulaire batterij: Hitachi ZX55U-6EB ondersteunt dubbele drive van commerciële stroom en batterij, met 2 uur snel opladen om 10 uur werking in 6 uur te ontmoeten.


Hydrogen Energy Test: HD Hyundai heeft een waterstofbrandstofmotor (HX12) ontwikkeld om een ​​nul koolstofconstructie te bereiken.


Voorspellend onderhoud:


IoT Remote Diagnose: SANY SY35U is uitgerust met Hi Mate System, dat de olietemperatuur- en trillingsgegevens in realtime analyseert, met een foutwaarschuwingsnauwkeurigheid van 92%.


AR Maintenance Assistance: Kaise Micro Excavator biedt VR -operatietraining voor kleine graafmachines, het simuleren van 30 foutscenario's en het verbeteren van de onderhoudsefficiëntie met 40%.


4 、 Praktische getuige: van het herstel van het huis tot mijnbouw tackle

Restauratie van de residentie van een Ming- en Qing-dynastiewetenschappelijke wetenschapper in Taizhou: Kubota U-15-3S Kleine graafmachine voltooide de opgraving van een ondergrondse pijpgeul door een boog van 0,85 meter en de zijdelingse bewegingsfunctie van de giek beschermde de oude wand met een 95% intacte snelheid.


Ondergrondse activiteiten bij een Chileense kopermijn: een compacte graafmachine met een gemodificeerde versterkte cabine die gedurende 300 uur continu werd uitgevoerd zonder enige storingen, wat resulteert in een vermindering van de laadkosten van 23%.


Tokyo Nighttime Municipal Construction: de pure elektrische versie van de Sany SY19E Mini Excavator werkt stilletjes bij 66 decibel, het oplossen van het probleem van het "bouwtijdvenster van de stad".


Conclusie: een klein lichaam heeft een grote toekomst

Van het 0,8 ton ultradunne model tot de 4-ton zware krijger, kleine graafmachines ondergaan een drievoudige evolutie van precisieconstructie, gediversifieerde energiebronnen en intelligent onderhoud, het hervormen van het wereldwijde bouwparadigma. Met de jaarlijkse omzet van meer dan 3100 eenheden op de Indiase markt en een geschatte penetratiegraad van 40% voor elektrische motoren tegen 2025, is deze technologische revolutie van "Small To Winter Big" bestemd om een ​​gouden kans op de biljoen dollarmarkt te ontdekken.


Onderhoudservaring in de industrie:

Voor compacte graafmachines is het precisieontwerp de ruggengraat, terwijl intelligent onderhoud de levensader is, het besparen van onderhoudskosten met 1 yuan en het verlagen van reparatiekosten met 10 yuan.



Gerelateerd nieuws
Laat een bericht achter
Mobiel
Adres
Changjiang West Road, Huangdao-district, Qingdao-stad, provincie Shandong, China
X
We gebruiken cookies om u een betere browse-ervaring te bieden, het siteverkeer te analyseren en de inhoud te personaliseren. Door deze site te gebruiken, gaat u akkoord met ons gebruik van cookies. Privacybeleid
Afwijzen Accepteren